- autor: Michał Karpiński
Urządzenie
to, a
raczej bardzo prosty układ elektroniczny służy do wyrównywania cel w
akumulatorach. Mam tutaj namyśli wyrównywanie napięciowe, a nie za
pomocą pilnika, czy podobnego narzędzia. Jak może niektórzy z
czytelników wiedzą w akumulatorze po kilkukrotnym naładowaniu i rozładowaniu,
możemy zaobserwować (przy rozładowanym pakiecie) na każdej z cel
akumulatora różne napięcie. Są to różnice nieznaczne, dotyczące
miliwoltów. Mogłoby się wydawać, iż nie ma to większego znaczenia,
jednak myślenie taki jest bardzo błędne. Z biegiem czasu, różnice te
powiększają się, a przez to sam pakiet staje się mniej wydajny. Uwaga!
pajączek jest układem, który ma zastosowanie tylko w przypadku, gdy
mamy dostęp do łączeń, które łączą cele między sobą, nie ma on
zastosowania w tzw. pakietach TAMIYA.
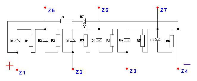
SCHEMAT
Tyle
celem wstępu, teraz konkrety. Niżej przedstawiam schemat ideowy, jak ktoś
chce to może sobie go nazwać montażowym, gdyż możliwe jest
zamontowanie właśnie w ten sposób elementów. Jak widać układ jest
prosty (dla kogoś, kto ma, chociaż niewielki pojęcie o elektronice),
praktyczni jest to 7 rezystorów i 7 diod, w tym nawet jedna świecąca J.
-
Diody D1- D6 to 1N5819,
-
Rezystory R1 – R6 mają wartość 2,2 W
(om) 0,25 W (wata), metalizowane z tolerancją ±
1%,
-
Rezystor R7 ma wartość 300W
(om) 0,25 W (wata).
-
D7 to zwykła dioda świecąca 3mm, może być czerwona, ale nie musi.
-
Z1 - Z7 to wyprowadzenia, do których możemy dolutować żabki na
przewodach o długości 10 cm, chodzi o to, abyśmy mogli czymś uchwycić
łączenia między celami.

Niżej przedstawiam schemat podłączeni pajączka
do akumulatora. Podłączenie jest bardzo proste, mianowicie Z1 na
schemacie powinniśmy podłączyć do Plusa akumulatora, Z4 do minusa, Z2
do łączenia, które łączy cele 2 i 3, i tak dalej.
UWAGA!!!
Pajączek może być podłączany tylko wtedy, gdy akumulator jest rozładowany
do całkowitego zera, w przeciwnym razie może on ulec uszkodzeniu.
Najlepiej rozładować akumulator żarówką 12V, taką do samochodu (H4).
Rozładowywać tak długo, aż żarówka zacznie się słabo żarzyć.

Po
podłączeniu pajączka zaobserwujemy dość jaskrawe zaświecenie się
diody D7, Oznacza to, iż akumulator jest jeszcze nie ułożony. Dioda
powinna z biegiem czasu przygasać, aż do całkowitego zgaśnięcia. Zgaśnięcie
diody D7 oznacza, iż akumulator został wyrównany napięciowo i napięcia
na poszczególnych celach powinny być sobie równe, lub bardzo zbliżone.
Proces takiego układania pakietu, od mocnego świecenia diody, aż do całkowitego
jej zgaśnięcia, może potrwać nawet kilka godzin.
ZAKOŃCZENIE
Urządzenia
te, trudno spotkać na zawodach, ponieważ większość zawodników
wykonuje proces wyrównywania cel przed zawodami. Działanie takie, wydłuża
znacząco żywotność akumulatorów i w znaczny sposób poprawia jego
sprawność. Na koniec można dodać, iż układ pajączka można zmieścić
na naprawdę niewielkiej płytce ( 2 na 4 cm). Ja sam używam pajączka,
oraz większość czołowych zawodników, jestem przekonany o jego
skuteczności i polecam go wszystkim modelarzom.
POWRÓT
Prawa autorskie © RC-AUTO - Portal Modelarzy Samochodowych Wszystkie prawa zastrzeżone.